Если перед вами стоит задача реализовать счетчик импульсов, с подсчетом десятков, сотен или тысяч, то для этого достаточно воспользоваться готовой сборкой - микросхемой CD4026. Благо микросхема практически сводит на нет все заботы по поводу обвязки микросхемы и дополнительных согласующих элементов. При этом один счетчик CD4026 способен "считать" только лишь до 10, то есть если нам необходимо считать до 100, то мы используем 2 микросхемы, если до 1000 то 3 и т.д. Что же, давайте пару слов о самой микросхеме и о ее функционале.
Описание работы счетчика CD4026
Первоначально приведем внешний вид и функциональное обозначение выводов на микросхеме счетчике

Не смотря на то, что все на английском, в принципе здесь все понятно! Показания счетчика увеличиваются каждый раз на 1 единицу, когда на контакт «clock» приходит положительный импульс. При этом на выходах с a-g появляется напряжение, которое при подаче на 7 сегментный индикатор и будет отображать количество импульсов.
Контакт «reset» сбрасывает показания подсчета при замыкании на +.
Контакт «disable clock» также должен быть соединен на землю.
Контакт «enable display» по факту 3 контакт должен быть подключен к плюсу.
Контакт «÷10» по факту 5 выход, направляет сигнал о переполнении счетчика, дабы к нему можно было подключить аналогичный счетчик и начать отсчет для 10, 100,1000...
Контакт «not 2» принимает значениние LOW тогда и только тогда, когда значение счётчика — 2. В остальных случаях HIGH.
Рабочее напряжение питания микросхемы: 3—15 В. то есть она имеет встроенный стабилизатор. Теперь о том, как подключить эту микросхему в сборку, то есть о принципиальной схеме.
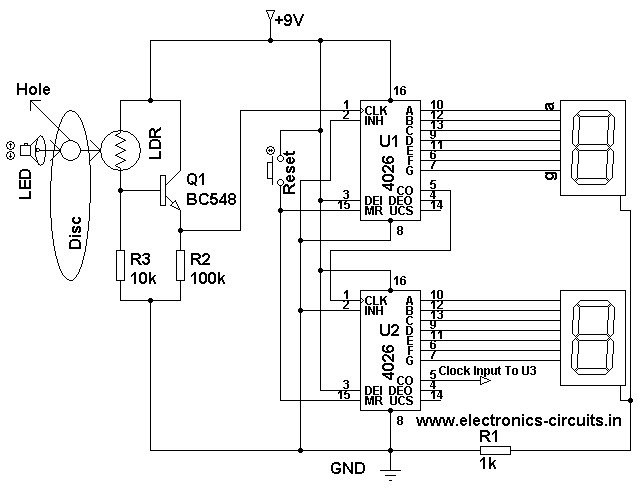
Схема подключения счетчика импульсов на микросхеме CD4026
Взгляните на схему. В ней ведется подсчет световых импульсов изменения сопротивления для фоторезистора. В качестве фоторезистора можно применить скажем фоторезистор 5516. Итак, за счет изменения сопротивления, смещается и потенциал на базе транзистора. В итоге, начинает протекать ток по цепи коллектор - эмиттер, а значит на вход 1 микросхемы подается импульс, который и подлежит подсчету.
Как только первая микросхема отсчитывает 1 десяток, то на выводе 5 появляется один импульс о "переполнении" счетчика. В конечном счете этот импульс подается на вторую микросхему, которая работает по точно такому же принципу. Но в этом случае микросхема уже считает не единицы, а десятки. Если же добавить 3 микросхему, то это будут сотни и т.д.

Для сброса на 0, достаточно подать плюс на ножки 15 микросхем. Микросхема предназначена для работы с 7 сегментным индикатором. При подаче на один из выводов этого индикатора, мы получаем нужную нам цифру. Взгляните на таблицу...

В заключении еще раз хотелось бы сказать, что счетчик импульсов в данном случае функционален, при этом потребует от вас минимальных затрат и знаний. Что еще немаловажно, схема не нуждается в настройке, по крайнем мере цифровая часть. Единственное быть может придется "поиграться" с резисторами и фоторезистором на входе.