Выпрямитель электрического тока или диод - механическое, электровакуумное, полупроводниковое или другое устройство, предназначенное для преобразования переменного входного электрического тока в постоянный выходной электрический ток. Диодный мост - электронная схема, предназначенная для преобразования ("выпрямления") переменного тока в пульсирующий постоянный. Такое выпрямление называется двухполупериодным.
Выделим два варианта включения мостовых схем однофазную и трехфазную.
Однофазная мостовая схема:
На вход схемы подается переменное напряжение (для простоты будем рассматривать синусоидальное), в каждый из полупериодов ток проходит через два диода, два других диода закрыты

Выпрямление положительной полуволны. В результате такого преобразования на выходе мостовой схемы получается пульсирующее напряжение вдвое большее частоты напряжения на входе.

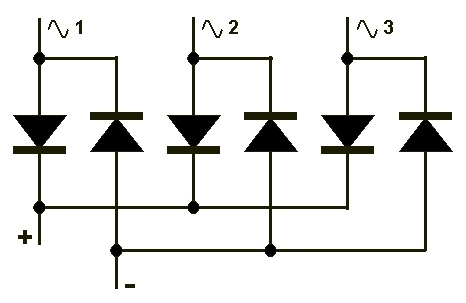
Трехфазная мостовая схема:
В схеме трехфазного выпрямительного моста в результате получается напряжение на выходе с меньшими пульсациями, чем в однофазном выпрямителе. Напряжение на выходе трехфазного выпрямителя

Для выпрямления трехфазных напряжений так же широко используются диодные выпрямители. Очень распространены схемы выпрямителей на полумостовых диодных выпрямителях

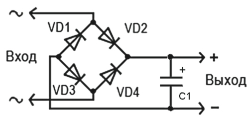
Как правило, для сглаживания пульсирующего напряжения на выходе выпрямителя применяется фильтр в виде конденсатора или дросселя, к тому же для стабилизации выходного напряжения устанавливается стабилитрон

Схема диодного выпрямителя с фильтром
Конструкция диодных мостов и сборок и преимущества. Диодный мост на дискретных элементах

Диодный мост на дискретных элементах
Конструкция диодных мостов может быть выполнена из отдельных диодов, или в виде монолитной конструкции (диодной сборки).

Монолитная конструкция, как правило, предпочтительней - она дешевле и меньше по объему. Диоды в ней подобраны на заводе изготовителе и параметры максимально аналогичны друг другу, в отличие от отдельных диодов, где параметры могут отличаться друг от друга, к тому же в рабочем состоянии диоды в диодной сборке работают в одинаковом тепловом режиме, что уменьшает вероятность выхода из строя элемента. Еще одним преимуществом диодной сборки является ее простота монтирования на плате. Основным недостатком монолитной конструкции является не возможность замены одного диода, вышедшего из строя другим, в этом случае необходимо менять всю сборку, но происходит это крайне редко, если рабочие режимы диодного моста подобраны правильно.
Области применения диодов
Область применения выпрямительных мостов обширна, например:
приборы освещения (люминесцентные лампы, ЭПРА, модули солнечных батарей);
счетчики электроэнергии;
блоки питания и управления бытовой техники (телевизоров, миксеров, стиральных машин, пылесосов, set-top-box, компьютеров, холодильников, электроинструмента и др.), зарядные устройства мобильных телефонов и ноутбуков, AC/DC-DC/DC преобразователи;
промышленное (блоки питания, зарядные устройства, блоки управления электродвигателями, регуляторы мощности и др.), автомобильные выпрямители.
Основные характеристики для распространенных диодов и диодных сборок